Idle gear bearings for measuring device

 Idle gear bearings are a critical component of precision measurement equipment, providing smooth and stable rotational motion for power transfer gears.

– Development History

 Before asking ORBIS to develop this product, our customer had previously purchased a steel bearing and used a product to cover the gear with insert injection. However, this product caused irregular contacts and internal stresses, resulting in dimensional and shape transformations that caused noise, vibration, reduced instrument performance, and reduced lifespan. In addition, separate shafts were required, resulting in additional assembly processes and integrated assembly time.

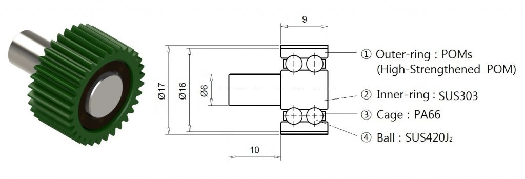
 To address these issues, our technicians developed a special engineering plastic for the outer wheel with good self-lubrication and a high PV value, performed high-precision gearing process, and used stainless steel for inner wheels and balls to prevent corrosion. The design is a double-row bearing with two raceways, enhancing the allowable load and minimizing wear and shaking.

 By using these customized idle gear bearings, customers were able to improve device performance, reduce costs, enjoy low noise, smooth operability, long lifespan, and high corrosion resistance. In addition, the integrated shaft design reduced assembly time.

– Product Picture and Drawing

  • Product name, Product number : 625D PS 1s12S4-01(S)

     

A joy for our clients to experience

A joy for our team to create

A joy for our partners to supply